首页
产品中心
新闻中心
服务案例
公司简介
加入卓领
联系我们
产品中心
品质创造未来,科技引领世界
当前位置:
首页
>
产品中心
3D耗材及参数
产品型号:1L
产品类型:耗材
成型尺寸:
打印精度:光敏树脂/SLS尼龙粉末
机器特点:高精度
马上购买
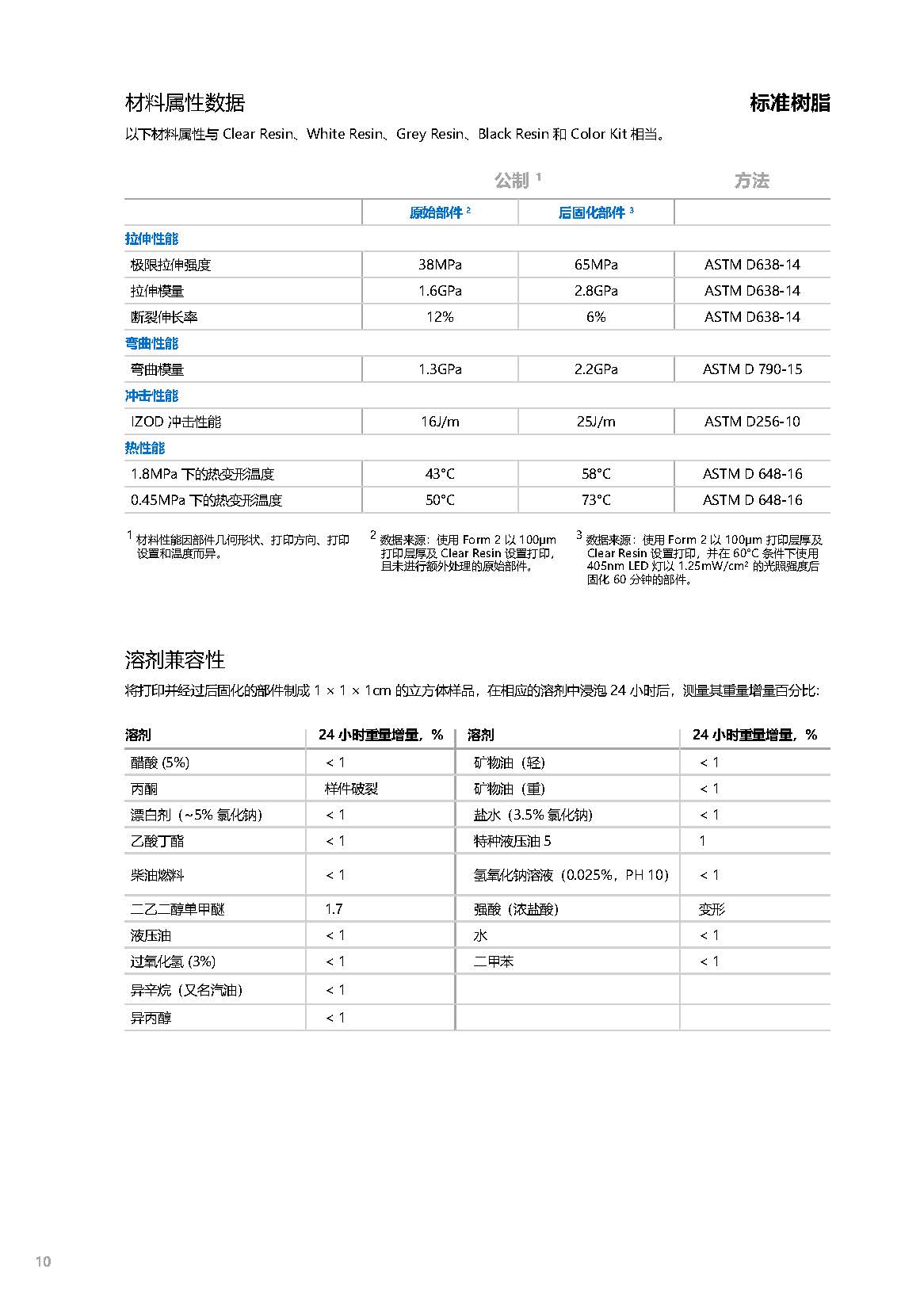
产品详情
Formlabs 全系列耗材
上一篇:
仿真分析
下一篇:
Form3BL医疗3D打印机
电话咨询
产品中心
公司简介
微信扫一扫
微信联系
返回顶部